Nuclear reactor strange power production
Nuclear reactor strange power production
Looking for advice - maybe I miss something obvious here.
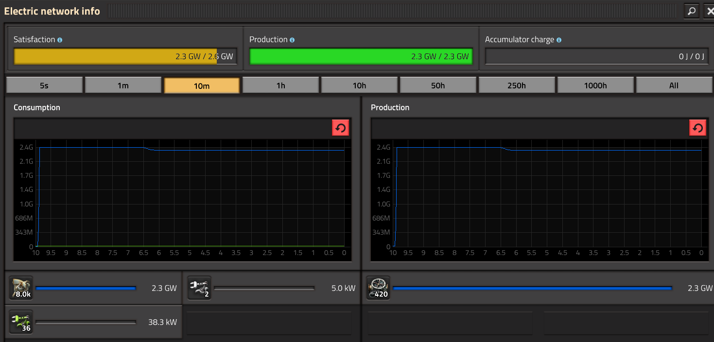
I’m experimenting w/nuclear reactors for a megabase. Created a 2x8 block which is producing 2.4GW in theory. It does for some hours… As after some hours it goes back to 2.3GW which is annoying, also the “Satisfaction” scale works odd.
To test this I use editor mode and
- 5000 Beacons to simulate load: 480kW * 5000 = 2.4GW.
- 8000 Radar to simulate load: 300kW * 8000 = 2.4GW
I’ve added switches to run on or off the Bacon / Radar block. Both cases reproducible:
- Turn off both switches
- Turn on one - 2.4GW / 2.4GW Satisfaction
- Wait some hours - use the 64x time mode, in some secs the odd thing happens:
- 2.3GW / 12.2GW (Beacon) or 2.3GW / 2.6GW (Radar) Satisfaction
I've attached the savegame: and some screenshots /scroll down/
Two questions / asking for help here:
Q1: Where are the 12.2GW / 2.5GW power needs coming from? Is it bug?
Q2: What is the problem at the north part of the power station which does not happen in the south part? Layout is the same, rotated 180 degrees, they’re also separated. Looks like some fluid magic, running out of water -> produces less steam. The 2.4GW production never returns, production stays at 2.3GW.
PS: I’ve removed the RoboPorts for testing purposes, I’m planning a botless, no solar tileable nuclear block, hence the layout - w.i.p.
I’m experimenting w/nuclear reactors for a megabase. Created a 2x8 block which is producing 2.4GW in theory. It does for some hours… As after some hours it goes back to 2.3GW which is annoying, also the “Satisfaction” scale works odd.
To test this I use editor mode and
- 5000 Beacons to simulate load: 480kW * 5000 = 2.4GW.
- 8000 Radar to simulate load: 300kW * 8000 = 2.4GW
I’ve added switches to run on or off the Bacon / Radar block. Both cases reproducible:
- Turn off both switches
- Turn on one - 2.4GW / 2.4GW Satisfaction
- Wait some hours - use the 64x time mode, in some secs the odd thing happens:
- 2.3GW / 12.2GW (Beacon) or 2.3GW / 2.6GW (Radar) Satisfaction
I've attached the savegame: and some screenshots /scroll down/
Two questions / asking for help here:
Q1: Where are the 12.2GW / 2.5GW power needs coming from? Is it bug?
Q2: What is the problem at the north part of the power station which does not happen in the south part? Layout is the same, rotated 180 degrees, they’re also separated. Looks like some fluid magic, running out of water -> produces less steam. The 2.4GW production never returns, production stays at 2.3GW.
PS: I’ve removed the RoboPorts for testing purposes, I’m planning a botless, no solar tileable nuclear block, hence the layout - w.i.p.
- Attachments
-
- 1-LooksOK-2.4GW.png (82.77 KiB) Viewed 9191 times
-
- 2-RadarProblem.png (83.77 KiB) Viewed 9191 times
-
- 2-BeaconProblem.png (83.63 KiB) Viewed 9191 times
Re: Nuclear reactor strange power production: bug?
I haven't looked at the save but, assuming sufficient heat exchangers and turbines, fluid rates being too high are nearly always the root cause of problems with nuclear power setups, especially "it works differently when I rotate it".
The weirdness with Satisfaction in Electric network info is to do with refilling internal energy buffers of consumers and has come up many times before in the forum.
The weirdness with Satisfaction in Electric network info is to do with refilling internal energy buffers of consumers and has come up many times before in the forum.
Re: Nuclear reactor strange power production: bug?
Your power plant is going from 2.4 GW to 2.3 GW probably because of the insufficient water or steam flow.
During heating up, or before you actually switch on your load, your water/steam pipes and input/output buffers are filling up, because either the heat exchangers are not at max. output or there is no electric consumer.
Then you switch on your maximum load, and everything seems fine - but water or steam level slowly declines, because there is actually more water or steam consumed than supplied. At one point a few minutes into the test, the level isn't high enough any more to keep up the required throughput, so the turbines don't get enough steam any more and the electric output goes below 2.4 GW.
If this happens, another thing takes place, as soon as the power supply gets lower than the power demand. Every consumer has an internal electric buffer. If there is insufficient power supply, this buffer gets empty. Now the power demand rises significantly: the (re-)filling of the buffer and the regular demand of the devices is added up. The more empty the buffers, the higher the demand. In your 2nd screenshot with 2.6 GW demand, the buffers just became slightly not full, and in your last screenshot with 12.2 GW, the buffers are probably completely empty. You see the electric buffer state in the small green/yellow/red "Electricity" bar in the hover popup of an electric entity.
edit:
by the way, if you want a flexible configurable consumer, use the "Electric energy interface" device available from the map editor. It can act as power supply as well as consumer. The settings for "Power production" and "Power usage" are Joule per tick, so you're able to supply or consume that much joule per game tick you configure here. If you want to consume 2.4 GW, calculate the joule per tick: 2.400.000.000 J per second / 60 ticks per second = 40.000.000 J per tick. So set 40.000.000 with "Power usage" and 0 to "power production".
The electric interface adds/removes that much joule from its internal buffer, so to make this actually work, the buffer needs at least hold that much Joule you're about to remove. So set the buffer size to at least 40.000.000 in this case. I usually set it to the same value I'm adding or removing.
During heating up, or before you actually switch on your load, your water/steam pipes and input/output buffers are filling up, because either the heat exchangers are not at max. output or there is no electric consumer.
Then you switch on your maximum load, and everything seems fine - but water or steam level slowly declines, because there is actually more water or steam consumed than supplied. At one point a few minutes into the test, the level isn't high enough any more to keep up the required throughput, so the turbines don't get enough steam any more and the electric output goes below 2.4 GW.
If this happens, another thing takes place, as soon as the power supply gets lower than the power demand. Every consumer has an internal electric buffer. If there is insufficient power supply, this buffer gets empty. Now the power demand rises significantly: the (re-)filling of the buffer and the regular demand of the devices is added up. The more empty the buffers, the higher the demand. In your 2nd screenshot with 2.6 GW demand, the buffers just became slightly not full, and in your last screenshot with 12.2 GW, the buffers are probably completely empty. You see the electric buffer state in the small green/yellow/red "Electricity" bar in the hover popup of an electric entity.
edit:
by the way, if you want a flexible configurable consumer, use the "Electric energy interface" device available from the map editor. It can act as power supply as well as consumer. The settings for "Power production" and "Power usage" are Joule per tick, so you're able to supply or consume that much joule per game tick you configure here. If you want to consume 2.4 GW, calculate the joule per tick: 2.400.000.000 J per second / 60 ticks per second = 40.000.000 J per tick. So set 40.000.000 with "Power usage" and 0 to "power production".
The electric interface adds/removes that much joule from its internal buffer, so to make this actually work, the buffer needs at least hold that much Joule you're about to remove. So set the buffer size to at least 40.000.000 in this case. I usually set it to the same value I'm adding or removing.
Re: Nuclear reactor strange power production: bug?
Thank you, it makes sense! Now I know what to search for.
Example for the same issue:
https://www.reddit.com/r/factorio/comme ... _draw_bug/
So Beacons have a huge buffer hence the 5x demand, numbers are matching.
I'll fix my powerplant first to get rid of bottleneck on water/steam which will elimite this buffer issue.
Example for the same issue:
https://www.reddit.com/r/factorio/comme ... _draw_bug/
So Beacons have a huge buffer hence the 5x demand, numbers are matching.
I'll fix my powerplant first to get rid of bottleneck on water/steam which will elimite this buffer issue.
Re: Nuclear reactor strange power production: bug?
Why you get less than 2.4 GW:
Heat production is 2.4 GW.
You need 2400/10 = 240 heat exchangers. You actually built them, so that's ok.
To output 10 MW, each heat exchanger produces 103/s steam. This is 24,720/s.
You supply water with 20 offshore pumps with 20 * 1200/s = 24,000/s water.
That's an underflow of 720/s water or 97% of actual demand, which will result in a maximum power output of 2400 MW * 0.97 = 2330 MW.
It seems you want to create a tileable reactor setup. The smallest tileable reactor segment is 2x6. 2x8 will work of course, but it's not the most space-efficient setup.
Edit
my reactor stress test consumers, you might find them useful:
Heat production is 2.4 GW.
You need 2400/10 = 240 heat exchangers. You actually built them, so that's ok.
To output 10 MW, each heat exchanger produces 103/s steam. This is 24,720/s.
You supply water with 20 offshore pumps with 20 * 1200/s = 24,000/s water.
That's an underflow of 720/s water or 97% of actual demand, which will result in a maximum power output of 2400 MW * 0.97 = 2330 MW.
It seems you want to create a tileable reactor setup. The smallest tileable reactor segment is 2x6. 2x8 will work of course, but it's not the most space-efficient setup.
Edit
my reactor stress test consumers, you might find them useful:
Re: Nuclear reactor strange power production: bug?
Just a FYI, it is actually possible to set up a tileable reactor that has 2x4 as a base.
One reactor is 5x5. So 2x1 is 5 tall. 2x2 is 10 tall. 3x2 is 15 tall. 4x2 is 20 tall.
One Heat Exchanger column consisting of Pipe, Heat Exchanger, Heat Pipe is 4 tiles wide. You can get 5 such columns each side of a 2x4 reactor setup.
With the idea that this be tiled to infinity, each 2x4 installation must be designed for the full 1280 MW, not just the 1120 that a standalone 2x4 can provide. That means you want 128 Heat exchangers divided among the 10 columns (I used 13 per column, 2 more per setup than necessary). That also means you need 22 Steam Engines per column.
2x6 is not the smallest practical tileable reactor you can design. I’m fairly certain I could design a 2x2 that tiled out, though 16 Heat Exchangers per column (and 28 Steam Turbines) might be a bit long.
Just bear in mind feeding the thing water may be a challenge. Mine is meant to be built onto a landfilled lake. 2.0 (if you can remove ground and not just landfill) may make it more practical to just set it up wherever, though.
One reactor is 5x5. So 2x1 is 5 tall. 2x2 is 10 tall. 3x2 is 15 tall. 4x2 is 20 tall.
One Heat Exchanger column consisting of Pipe, Heat Exchanger, Heat Pipe is 4 tiles wide. You can get 5 such columns each side of a 2x4 reactor setup.
With the idea that this be tiled to infinity, each 2x4 installation must be designed for the full 1280 MW, not just the 1120 that a standalone 2x4 can provide. That means you want 128 Heat exchangers divided among the 10 columns (I used 13 per column, 2 more per setup than necessary). That also means you need 22 Steam Engines per column.
2x6 is not the smallest practical tileable reactor you can design. I’m fairly certain I could design a 2x2 that tiled out, though 16 Heat Exchangers per column (and 28 Steam Turbines) might be a bit long.
Just bear in mind feeding the thing water may be a challenge. Mine is meant to be built onto a landfilled lake. 2.0 (if you can remove ground and not just landfill) may make it more practical to just set it up wherever, though.
Re: Nuclear reactor strange power production: bug?
You "just" need to create an additional blueprint with only the ladfill, with space for the pumps. Then you can plop down everything except for the part with the pumps. Afterwards, the full blueprint with the pumps landfilled can be placed on top, as a temporary solution until 2.0 hits.
Funnily enough, even with 2.0 you will need 2 blueprints, or even worse, all setups will break, since the super-force-mode removes landfill around pumps. If the pump mechanic does not change, you will need to overlandfill it again after placement, if it does, god help all current setups.
Funnily enough, even with 2.0 you will need 2 blueprints, or even worse, all setups will break, since the super-force-mode removes landfill around pumps. If the pump mechanic does not change, you will need to overlandfill it again after placement, if it does, god help all current setups.
Pony/Furfag avatar? Opinion discarded.
Re: Nuclear reactor strange power production: bug?
This is my current pump setup for large-scale nuclear power. I don't see the problem.aka13 wrote: Mon Nov 06, 2023 9:37 am even with 2.0 you will need 2 blueprints, or even worse, all setups will break, since the super-force-mode removes landfill around pumps. If the pump mechanic does not change, you will need to overlandfill it again after placement, if it does, god help all current setups.
-
FuryoftheStars
- Smart Inserter

- Posts: 2766
- Joined: Tue Apr 25, 2017 2:01 pm
- Contact:
Re: Nuclear reactor strange power production: bug?
To tag onto what Khagan said above, if for whatever reason you really need that extra tile or two of space for your setup, then you just simply need to move the pumps to the opposite end of the boiler rows. They don't have to be on the side closest to the reactors. Though admittedly having them close to the reactors does open up more water placement opportunities, if you're going for a tiled setup, the body of water you're gonna pick isn't going to be a small one, either.aka13 wrote: Mon Nov 06, 2023 9:37 am even with 2.0 you will need 2 blueprints, or even worse, all setups will break, since the super-force-mode removes landfill around pumps. If the pump mechanic does not change, you will need to overlandfill it again after placement, if it does, god help all current setups.
My Mods: Classic Factorio Basic Oil Processing | Sulfur Production from Oils | Wood to Oil Processing | Infinite Resources - Normal Yield | Tree Saplings (Redux) | Alien Biomes Tweaked | Restrictions on Artificial Tiles | New Gear Girl & HR Graphics
Re: Nuclear reactor strange power production: bug?
That depends on the number of Heat Exchangers. My BP uses 13 per column, so I have to have two Offshore Pumps per column - I put one at either end of the column. 11 or fewer Heat Exchangers you get the option of which end to put the Offshore Pump at. 12 to 23 Heat Exchangers, you need two Offshore Pumps. 24 or more Heat Exchangers per column, good luck!
-
FuryoftheStars
- Smart Inserter

- Posts: 2766
- Joined: Tue Apr 25, 2017 2:01 pm
- Contact:
Re: Nuclear reactor strange power production: bug?
You could just do a row of water and Offshore Pumps that all combine and feed right into them. You might need to put a pump in there, not sure, been a while, but it should be doable. But yes, it obviously will depend on the length of the heat exchanger row, though I feel like if it starts getting too long there are issues with the heat transfer, isn't there?
My Mods: Classic Factorio Basic Oil Processing | Sulfur Production from Oils | Wood to Oil Processing | Infinite Resources - Normal Yield | Tree Saplings (Redux) | Alien Biomes Tweaked | Restrictions on Artificial Tiles | New Gear Girl & HR Graphics
Re: Nuclear reactor strange power production: bug?
Yeah, surely, it can be circumvented in your suggested way, but a lot of builds, including my own, have them landfilled fully.Khagan wrote: Mon Nov 06, 2023 7:35 pmThis is my current pump setup for large-scale nuclear power.aka13 wrote: Mon Nov 06, 2023 9:37 am even with 2.0 you will need 2 blueprints, or even worse, all setups will break, since the super-force-mode removes landfill around pumps. If the pump mechanic does not change, you will need to overlandfill it again after placement, if it does, god help all current setups.
Pump.png
I don't see the problem.
Not saing "aaah wall setups will break". Even if they would, I think it would be fun.
Pony/Furfag avatar? Opinion discarded.
Re: Nuclear reactor strange power production: bug?
Really useful answers, thank you for all!
As written above the calculations for a tileable setup should be done as all reactors has +300% bonus - in case the tile ends up in the middle.
Now switched to a 10x2 tile as I'd like to have full logistic coverage. It should produce 3+GW and match the 50 tile RoboPort coverage.
- Standalone: 4*120 + 16*160 = 3.04GW
- Side: 2*120 + 18*160 = 3.12GW
- Middle: 20 * 160 = 3.2GW
For a 3x 10x2 tile currently getting only 8.8GW instead of 9.4GW - more work to do. Still not there w/150 Heat Exchangers and 257 Stem Turbines. At least I know why, calc below.
I'm experimenting with this alternating pipe setup to make it a bit more compact, this setup allows 14 rows for a 10 reator wide tile (see screenshot)
So in theory for the full 3.2GW I need the following. Let's calculate with 1.6GW per side:
- 160 Heat Exchangers: 1.6GW / 10 MW = 160
-14 Water Well Pumps: 160 Heat Exchanger needs 160 * 103 / 1200 = 13.73 Water Well Pumps. So 14 rows will work fine. 12 * 14 rows = 168, 8 can be removed
- To be on the safe side each row of 12 Heat Exchangers produce 12 * 103 = 1236 steam. So that's 21 (20.6) Steam Turbines per row
- For the RoboPort I'll have to remove 3 Heat Exchangers. Those rows should be happy with 9 * 103 / 60 = 16 Steam Turbines
- 284 Steam Turbines: 12 * 21 + 2 * 16 = 252 + 32 = 284
Yes, two blueprints needed and in case - like for me - compactness is priority, pumps will be buried.
As written above the calculations for a tileable setup should be done as all reactors has +300% bonus - in case the tile ends up in the middle.
Now switched to a 10x2 tile as I'd like to have full logistic coverage. It should produce 3+GW and match the 50 tile RoboPort coverage.
- Standalone: 4*120 + 16*160 = 3.04GW
- Side: 2*120 + 18*160 = 3.12GW
- Middle: 20 * 160 = 3.2GW
For a 3x 10x2 tile currently getting only 8.8GW instead of 9.4GW - more work to do. Still not there w/150 Heat Exchangers and 257 Stem Turbines. At least I know why, calc below.
I'm experimenting with this alternating pipe setup to make it a bit more compact, this setup allows 14 rows for a 10 reator wide tile (see screenshot)
So in theory for the full 3.2GW I need the following. Let's calculate with 1.6GW per side:
- 160 Heat Exchangers: 1.6GW / 10 MW = 160
-14 Water Well Pumps: 160 Heat Exchanger needs 160 * 103 / 1200 = 13.73 Water Well Pumps. So 14 rows will work fine. 12 * 14 rows = 168, 8 can be removed
- To be on the safe side each row of 12 Heat Exchangers produce 12 * 103 = 1236 steam. So that's 21 (20.6) Steam Turbines per row
- For the RoboPort I'll have to remove 3 Heat Exchangers. Those rows should be happy with 9 * 103 / 60 = 16 Steam Turbines
- 284 Steam Turbines: 12 * 21 + 2 * 16 = 252 + 32 = 284
Yes, two blueprints needed and in case - like for me - compactness is priority, pumps will be buried.
- Attachments
-
- PipeSetup.png (754.56 KiB) Viewed 8582 times
Re: Nuclear reactor strange power production: bug?
Since there are already many existing reactor setups, tileable/not tileable, wasteless/not wasteless (steam buffered+controlled fuel insertion according to power load), roboport coverage/no roboport coverage, a question: do you want to work out this completely on your own, or do you want to take inspiration ("spoilers") from existing designs?
The most influential setup for my own power plant designs was this: download/file.php?id=77379
I recreated that from memory; the original is from some unknown author, somewhere buried on Reddit. It's one of the most beautiful designs I ever saw due to the simplicity combined with 100% power output.
The most influential setup for my own power plant designs was this: download/file.php?id=77379
I recreated that from memory; the original is from some unknown author, somewhere buried on Reddit. It's one of the most beautiful designs I ever saw due to the simplicity combined with 100% power output.
Re: Nuclear reactor strange power production: bug?
Factorio for me is about exploration. You're right, probably all good BPs were created by someone before in the past many years.
Having some special needs & as I've skipped nuclear as a whole in the past (UPS) now exploring it. Now I have what I like and learned how it works in the finest details... TY for all again!
So here is my version, tested for full output successfully (3x config).
My special needs:
- no solar / requester chests
- full logistic supply coverage
- max power, min # of entities, compact size (as possible for nuclear...)
- must be easy to use - well, due to the wells it cannot be
- be nice
PS: now I also know that the forum has a 60.000 char limit: was not able to add my BPs so PFA the testing savegame (editor mode). BPs are in Game Blueprints. Mods are not needed.
Having some special needs & as I've skipped nuclear as a whole in the past (UPS) now exploring it. Now I have what I like and learned how it works in the finest details... TY for all again!
So here is my version, tested for full output successfully (3x config).
My special needs:
- no solar / requester chests
- full logistic supply coverage
- max power, min # of entities, compact size (as possible for nuclear...)
- must be easy to use - well, due to the wells it cannot be
- be nice
PS: now I also know that the forum has a 60.000 char limit: was not able to add my BPs so PFA the testing savegame (editor mode). BPs are in Game Blueprints. Mods are not needed.
- Attachments
-
- 202310 MapEdit-Nuclear.zip
- (5.1 MiB) Downloaded 199 times
-
- Layout.png (1.02 MiB) Viewed 8492 times
-
- Wires.png (24.17 KiB) Viewed 8492 times
Re: Nuclear reactor strange power production: bug?
First of all, i like the blueprint, it is compact, it produce 9.4 GW, it's not written in the post ! It was stable for at least 10 hours in the save game , that makes a good picture 
But i wanted to nitpick sorry , the better blueprint are those we tailor for our particular need and you may want to improve it further
! I also noticed that in upper part of the blueprint, there is no fully starved turbine, instead 2 of those closest to the pump are only half starved of so. I understand this is hard to guarantee a reproduction when pasting the blueprint in other game/location, i though maybe removing some turbines could have no impact on the predictability, if it "force" things to even out. Removing 72 , 36 on each side, or 1 in every lane makes it 1632 turbines, which is still able to output a theoric 9.49 GW, i tried on the save with no consequences on electricity production, more compacter !
Your design is working without fuel control system , it is designed to work all the time without overheating. But this is not always the case in a real game that you will need the whole power of the plant. (when you just build it). In such case the reactors will reach 1000°C even if you have a little excess turbine in your design to prevent that at full power draw.
(1632*5.82MW still > 9.4GW) I thought it wouldn't matter all that much to have a little less turbines also for this reason. It is one direction that people try to refine their blueprint although it usually involve steam tank and increase the footprint.
I remember you did some inserter clocking for UPS efficient furnaces, the same kind of logic can be added for real-game-not-editor purpose, in case the fuel run low or you want to throttle it because you don't use the full 9.4 GW, you risk losing adjacency bonus if no control is done. I'm not sure this count as "ease of use", the idea that you could make it so that you don't require so many fuel to fill in the belt this wouldn't increase footprint. Although i can understand if you build that power plant you must have decent uranium supply.
Throttling fuel without storing all the steam is a compromise it save fuel, and keep the reduced footprint without too many steam tanks. If you can store say 2 minutes of your steam consumption ( 247K steam per lane considering 20 turbines per lane that's 10 steam tank per lane), then you can "wait" 2 minutes between each refuel of reactor, read: when steam is empty, if the consumption of electrity is low, it save fuel compared to constant burning, but since a cell burn in 200 second, you'd need to store more steam if you'd want to store ALL the steam. Or less if 10 steam tank per lane is too many x)
But i wanted to nitpick sorry , the better blueprint are those we tailor for our particular need and you may want to improve it further
I have noticed that none of the bottom turbines are active when loading the save , that's 36/1704 or around 2% wasted material on the turbinesBelter wrote: Mon Nov 13, 2023 5:33 pm My special needs:
- max power, min # of entities, compact size (as possible for nuclear...)
Your design is working without fuel control system , it is designed to work all the time without overheating. But this is not always the case in a real game that you will need the whole power of the plant. (when you just build it). In such case the reactors will reach 1000°C even if you have a little excess turbine in your design to prevent that at full power draw.
(1632*5.82MW still > 9.4GW) I thought it wouldn't matter all that much to have a little less turbines also for this reason. It is one direction that people try to refine their blueprint although it usually involve steam tank and increase the footprint.
I remember you did some inserter clocking for UPS efficient furnaces, the same kind of logic can be added for real-game-not-editor purpose, in case the fuel run low or you want to throttle it because you don't use the full 9.4 GW, you risk losing adjacency bonus if no control is done. I'm not sure this count as "ease of use", the idea that you could make it so that you don't require so many fuel to fill in the belt this wouldn't increase footprint. Although i can understand if you build that power plant you must have decent uranium supply.
Throttling fuel without storing all the steam is a compromise it save fuel, and keep the reduced footprint without too many steam tanks. If you can store say 2 minutes of your steam consumption ( 247K steam per lane considering 20 turbines per lane that's 10 steam tank per lane), then you can "wait" 2 minutes between each refuel of reactor, read: when steam is empty, if the consumption of electrity is low, it save fuel compared to constant burning, but since a cell burn in 200 second, you'd need to store more steam if you'd want to store ALL the steam. Or less if 10 steam tank per lane is too many x)
Re: Nuclear reactor strange power production: bug?
I would perhaps try to work on this to better satisfy the "be nice" and "min # entities" requirements. I just want to give feedback, I don't want to belittle your design.
- the turbines are shifted by 1 tile each other row (not nice)
- the long heat pipe loop around the roboport (not nice)
- one heat exchanger in each row cannot be fully loaded, because there isn't enough water supply (not min # entities)
- there is a 1 tile gap for every 2 steam turbine rows (not min space)
- the double parallel steam pipes are redundant (not min # entities)
- no water around the offshore pumps is cheating (only my personal opinion, is not that relevant. Becomes relevant if you accidentally mine the pump, because you cannot set it again without mods. It's also very complicated to set in the first place in a real game, needs multiple layered blueprints, which is a PITA if you want to modify the blueprints later)
I'm somewhat guessing, since I'm unable to load the savefile (I don't install game betas).
It seems your save has 60 reactors . This is 60*160 MW = 9600 MW infinitely tiled. Your setup is able to produce 59 * 160 MW = 9440 MW.
So the min # heat exchangers = 9600 / 10 = 960 and min # steam turbines = 9600 / 5,82 = 1650.
From my work with nuclear setups, I consider 166 steam turbines per 2x6 tile a sane and practical min # (or 1660 for 2x6 tiled 5x = 60 reactors)
So if you have 1704 as mmmPI mentioned, that's 44 too many IMHO, so it's not "min # entities".
If you have more than 960 heat exchangers, you're having too many to satisfy your "min # entities" requirement. It's technically possible and not too difficult to use exactly max MW / 10 heat exchangers with no slack.
You waste nuclear fuel cells (not nice, even they're cheap once you get so big)
So many fuel cells idling on the belts doing nothing (not nice, even if you have enough)
What is your stance on requirements like that:
- buffer excess steam and only insert fuel cells if actually required by power demand
- robust setup against fuel cell starvation. Since everything is on autopilot usually, you will be surprised by a brownout that will definitely happen. You will detect your uranium factory stopped producing fuel cells for some reason and most of the reactors have no fuel. If you say "couldn't happen", I will not believe you. It's possible, so it will happen. You restart fuel production, but instead of fueling all reactors equally, you will observe the first 12 cells will go into the first 2 reactors, the next 12 cells will go to the next 2 reactors, and so on, and your power will be restored only painfully slow. This setup isn't able to start reasonably fast, because it fills buffers and belts instead of supplying all reactors equally.
(Equal and fast distribution could be achieved by using bots and requesting only 1 or 2 fuel cells per reactor, and by inserting a fuel cell only if a reactor is actually out of fuel).
I know you're always trying to minimize ups usage. As far as I know, if it comes to a nuclear reactor power plant, relevant ups is consumed by these entities, because they are used in relevant quantities:
- the more water pipes, heat pipes, heat exchangers, steam turbines, the more ups demand
- If there is a loop in fluid or heat distribution, this loop isn't impacting ups
- the turbines are shifted by 1 tile each other row (not nice)
- the long heat pipe loop around the roboport (not nice)
- one heat exchanger in each row cannot be fully loaded, because there isn't enough water supply (not min # entities)
- there is a 1 tile gap for every 2 steam turbine rows (not min space)
- the double parallel steam pipes are redundant (not min # entities)
- no water around the offshore pumps is cheating (only my personal opinion, is not that relevant. Becomes relevant if you accidentally mine the pump, because you cannot set it again without mods. It's also very complicated to set in the first place in a real game, needs multiple layered blueprints, which is a PITA if you want to modify the blueprints later)
I'm somewhat guessing, since I'm unable to load the savefile (I don't install game betas).
It seems your save has 60 reactors . This is 60*160 MW = 9600 MW infinitely tiled. Your setup is able to produce 59 * 160 MW = 9440 MW.
So the min # heat exchangers = 9600 / 10 = 960 and min # steam turbines = 9600 / 5,82 = 1650.
From my work with nuclear setups, I consider 166 steam turbines per 2x6 tile a sane and practical min # (or 1660 for 2x6 tiled 5x = 60 reactors)
So if you have 1704 as mmmPI mentioned, that's 44 too many IMHO, so it's not "min # entities".
If you have more than 960 heat exchangers, you're having too many to satisfy your "min # entities" requirement. It's technically possible and not too difficult to use exactly max MW / 10 heat exchangers with no slack.
You waste nuclear fuel cells (not nice, even they're cheap once you get so big)
So many fuel cells idling on the belts doing nothing (not nice, even if you have enough)
What is your stance on requirements like that:
- buffer excess steam and only insert fuel cells if actually required by power demand
- robust setup against fuel cell starvation. Since everything is on autopilot usually, you will be surprised by a brownout that will definitely happen. You will detect your uranium factory stopped producing fuel cells for some reason and most of the reactors have no fuel. If you say "couldn't happen", I will not believe you. It's possible, so it will happen. You restart fuel production, but instead of fueling all reactors equally, you will observe the first 12 cells will go into the first 2 reactors, the next 12 cells will go to the next 2 reactors, and so on, and your power will be restored only painfully slow. This setup isn't able to start reasonably fast, because it fills buffers and belts instead of supplying all reactors equally.
(Equal and fast distribution could be achieved by using bots and requesting only 1 or 2 fuel cells per reactor, and by inserting a fuel cell only if a reactor is actually out of fuel).
I know you're always trying to minimize ups usage. As far as I know, if it comes to a nuclear reactor power plant, relevant ups is consumed by these entities, because they are used in relevant quantities:
- the more water pipes, heat pipes, heat exchangers, steam turbines, the more ups demand
- If there is a loop in fluid or heat distribution, this loop isn't impacting ups
Re: Nuclear reactor strange power production: bug?
Happy to see where this thread goes
Always happy to get comments, especially if most of them are right!
I'm to create a tileable reactor BP which is for 10x2. For that, I'll have to plan for a "middle" setup which is 2 x 1600 MW - full 300% bonus for all reactors. The savegame is 3x 10x2 to have a "middle" setup and demonstrate that full output is generated.
Factorio numbers are so odd. Just realized that assuming the 14 columns of Heat exhangers the 160 Heat Exchangers will have columns of 12 (11.42). It is a problem in water as 1200/sec / 12 = 100/sec and the need max consuption is 103/sec. Just.. why? As the 12 Heat exchangers cannot be fully supplied w/water their steam output won't be full either. And actually is shows: I got 11x103 + 66 output which is 1200! I had random and strange numbers - let's skip that for now...
So we have 1200/sec steam and 60/sec Stean turbines. So, in theory 20 tubrines should do the the job for a full column. Not 22!
For the columns with the RoboPorts, this is 8 x 103 = 824 steam. So 14 (13.73) turbines should do.
So yes, I had too many. After fuzzing around a bit, I've re-arranged the poles and straighten that damn heatpipe row also (cost a roboport range shited).
Nuclear waste, controlling the reactors, fuel sitting on the belt: those are currently OK for me.
"Nice" comes after compactness. I'll post my updated Savegame / BP once I have another hour to finalize it.
I'm to create a tileable reactor BP which is for 10x2. For that, I'll have to plan for a "middle" setup which is 2 x 1600 MW - full 300% bonus for all reactors. The savegame is 3x 10x2 to have a "middle" setup and demonstrate that full output is generated.
Factorio numbers are so odd. Just realized that assuming the 14 columns of Heat exhangers the 160 Heat Exchangers will have columns of 12 (11.42). It is a problem in water as 1200/sec / 12 = 100/sec and the need max consuption is 103/sec. Just.. why? As the 12 Heat exchangers cannot be fully supplied w/water their steam output won't be full either. And actually is shows: I got 11x103 + 66 output which is 1200! I had random and strange numbers - let's skip that for now...
So we have 1200/sec steam and 60/sec Stean turbines. So, in theory 20 tubrines should do the the job for a full column. Not 22!
For the columns with the RoboPorts, this is 8 x 103 = 824 steam. So 14 (13.73) turbines should do.
So yes, I had too many. After fuzzing around a bit, I've re-arranged the poles and straighten that damn heatpipe row also (cost a roboport range shited).
Nuclear waste, controlling the reactors, fuel sitting on the belt: those are currently OK for me.
"Nice" comes after compactness. I'll post my updated Savegame / BP once I have another hour to finalize it.
Re: Nuclear reactor strange power production: bug?
I only get 9.3GW instead of 9.4 GW. Also the reactors are heating up so cut too much. My calcs wrong again due to the lower output - must calc that.
Re: Nuclear reactor strange power production: bug?
There were two different engineers. One designed the heat exchanger and the other one designed the steam turbine. Both agreed upon working with 500°C steam.
One engineer specified: "my heat exchanger will convert up to 10 MW of heat to heat up water from 15°C to 500°C"
The other engineer specified: "my steam turbine will have a throughput of 60 steam/s and convert the energy from cooling down from 500°C to 15°C into electric energy." (in real physics, pressure is used in turbines for energy transfer, but the game simplifies this into temperature)
According to the Factorio wiki, heating 1 unit of water 1 degree requires 200 Joule.
The heat exchanger operates with 10 MW and heats water from 15°C to 500°C, so it heats by 485°C. 1 unit of water is heated up by 10,000,000 W / 200 Joule = 50,000°C or 50,000 / 485 = 103.09 water/s. This is where the 103.1/s comes from.
The steam turbine consumes 60 steam/s and it's cooling down by 485°C, so it's x / 485°C = 60 units → x = 29,100°C/unit or 29,100°C/unit * 200 Joule = 5.82 MW. This is where the 5.82 MW comes from.
I assume this is by design a genuine game challenge. It would be too easy if ratios were even.
One engineer specified: "my heat exchanger will convert up to 10 MW of heat to heat up water from 15°C to 500°C"
The other engineer specified: "my steam turbine will have a throughput of 60 steam/s and convert the energy from cooling down from 500°C to 15°C into electric energy." (in real physics, pressure is used in turbines for energy transfer, but the game simplifies this into temperature)
According to the Factorio wiki, heating 1 unit of water 1 degree requires 200 Joule.
The heat exchanger operates with 10 MW and heats water from 15°C to 500°C, so it heats by 485°C. 1 unit of water is heated up by 10,000,000 W / 200 Joule = 50,000°C or 50,000 / 485 = 103.09 water/s. This is where the 103.1/s comes from.
The steam turbine consumes 60 steam/s and it's cooling down by 485°C, so it's x / 485°C = 60 units → x = 29,100°C/unit or 29,100°C/unit * 200 Joule = 5.82 MW. This is where the 5.82 MW comes from.
I assume this is by design a genuine game challenge. It would be too easy if ratios were even.

